| Sign In | Join Free | My isp.org.cn |
|
Brand Name : TGFQ
Model Number : SH460 CX460
Place of Origin : Guangzhou China
MOQ : 1
Price : 200.00-800.00USD
Payment Terms : L/C, T/T, D/P, D/A
Supply Ability : 500 pcs / month
Delivery Time : 1-3days
Packaging Details : NNER PACKING: Wrap by plastic film, clear label for each item. OUTER PACKING: Carton or Plywood Case PACKING SIZE: Depend on packing type
Product Name : Sumitomo Swing Reduction
Model : SH460 CX460
Part Number : KTC10150 / KTC10240R / KTC10240C / KTC0185
MOQ : 1 Piece
Applicable Industries : Machinery Repair Shops, Energy & Mining
SUMITOMO Excavator Slewing Gearbox Reduction TGFQ SH280 Swing Gearbox
Quick Details |
| Model: SH460 CX460 |
| Brand: TGFQ |
| Part Name: Swing Reduction |
| Part Number: KTC10150 / KTC10240R / KTC10240C / KTC0185 |
| Process: Heat Treatment |
| Delivery Methods: By Air / By Express / By Sea |
Product Photo:




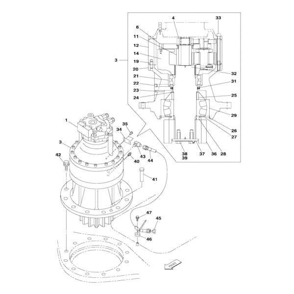
Drawing:

| Pos. | Part No | Qty | Parts name | Comments |
| 1 | KTC0171 | [1] | MOTOR, HYDRAULIC | SUM |
| 1 | KTC0171R | [1] | REMAN-HYD MOTOR | RAC CX470C CRAWLER EXCAVATOR, TIER 4 (NA) (9/11-) |
| 1 | KTC0171C | [1] | CORE-MOTOR HYDRAULIC | RAC Return Number |
| 3 | KTC10150 | [1] | GEAR REDUCTION UNIT | SUM Superseded by part number: KTC10240 |
| 3 | KTC10240R | [1] | REMAN-REDUCTION UNIT | RAC CX470C CRAWLER EXCAVATOR - TIER 4 (NA) (9/11-), Reman for New PN KTC10150 |
| 3 | KTC10240C | [1] | CORE-REDUCTION UNIT | RAC Return Number |
| 4 | KTC10070 | [1] | SUN GEAR | SUM (NO 1) |
| 5 | KTC10090 | [1] | SHAFT, PLANETARY CAR | SUM CARRIER, PLANETARY, NO 1, Incl 6 - 10 |
| 6 | NSS | [1] | NOT SOLD SEPARAT | CON CARRIER, PINION, PLANETARY NO 1 |
| 7 | NSS | [3] | NOT SOLD SEPARAT | CON GEAR, NO 1 |
| 8 | NSS | [3] | NOT SOLD SEPARAT | CON PIN, PLANETARY NO 1 |
| 9 | KTC0156 | [3] | PLATE | SUM WASHER, GEAR PLANETARY Superseded by part number: KTC10210, KTC0182 |
| 10 | NSS | [1] | NOT SOLD SEPARAT | CON WASHER, THRUST |
| 11 | KTC10080 | [1] | SUN GEAR | SUM (NO 2) |
| 12 | KTC0166 | [1] | RING GEAR | SUM |
| 14 | KTC10210 | [1] | PINION CARRIER | SUM CARRIER, PLANETARY, NO 2, Incl 15 - 19 |
| 15 | NSS | [4] | NOT SOLD SEPARAT | CON CARRIER, PINION, PLANETARY NO 2 |
| 16 | NSS | [4] | NOT SOLD SEPARAT | CON GEAR, NO 2 |
| 17 | NSS | [4] | NOT SOLD SEPARAT | CON PIN, PLANETARY NO 2 |
| 18 | 338W100Z040B | [4] | COTTER PIN | SUM |
| 19 | KTC0155 | [4] | PIN | SUM |
| 20 | KTC0170 | [1] | HOUSING | SUM |
| 21 | KTC0150 | [1] | BEARING,130mm ID x 210mm OD x 64mm W | SUM |
| 22 | 150824A1 | [1] | PLUG | SUM |
| 23 | 158352A1 | [2] | PLUG | SUM |
| 24 | KTC0158 | [1] | RETAINING WIRE | SUM |
| 25 | KTC0151 | [1] | SPACER | SUM |
| 26 | KTC0159 | [1] | RETAINING WIRE | SUM |
| 27 | KTC0152 | [1] | BEARING COVER | SUM |
| 28 | KTC0154 | [1] | SPACER | SUM |
| 29 | KTC0190 | [1] | BEARING,140mm ID x 300mm OD x 102mm W | SUM |
| 30 | KHP1406 | [1] | Grease | |
| 31 | KTC0153 | [1] | OIL SEAL | SUM |
| 32 | KTC0184 | [1] | SHAFT ASSY. | SUM |
| 33 | 150237A1 | [18] | BOLT,Hex Skt | SUM |
| 34 | NSS | [1] | NOT SOLD SEPARAT | CON Name plate |
| 35 | 301-1413 | [2] | DRIVE SCREW,Drive, #2 x 3/16" | CAS Superseded by part number: 86542114 |
| 36 | KTC0149 | [1] | GEAR | SUM |
| 37 | 195A160RN | [1] | WASHER | SUM |
| 38 | 167071A1 | [1] | RETAINER | SUM |
| 39 | 627-20050 | [2] | BOLT,Hex, M20 x 2.5 x 50mm, Cl 10.9, Full Thd | CAS Superseded by part number: 9843590 |
| 40 | 153630A1 | [1] | LUBE NIPPLE | SUM |
| 41 | 150317A1 | [1] | HEADED PIN,24mm OD x 90mm L | SUM |
| 42 | 166477A1 | [12] | BOLT,Sems, M24 x 90mm | SUM |
| 43 | 150915A1 | [1] | ADAPTER | SUM |
| 44 | KRJ5902 | [1] | HYDRAULIC HOSE,12.70 mm ID x 360.00 mm | SUM |
| 45 | KHP0578 | [1] | PLUG | SUM |
| 46 | KHR2584 | [1] | CLAMP | SUM |
| 47 | KHJ1215 | [1] | BOLT,Spcl | SUM |
Size Information:
Our advantages:
v Strong part number database.
If you can provide the right model and part number, we can supply the right product.
v Professional and experienced salesperson.
Our founder has been into this field for more than 22 years, with rich experiences.
v Strict and complete company rules.
We will try our best to meet customer’s delivery time. Before delivery, we must verify the part number or pictures of products one by one, to make sure that customers can receive high-quality and right-quantity goods.
v Good service attitude.
As long as customers’ requirements are reasonable, we will endeavour to make them satisfied.



We have more than 4000 square meters of three-dimensional warehouse and more than 2000 square meters of outdoor warehouse
It ensures that we have sufficient inventory and respond to customers' needs faster. Fast delivery is our advantage


FAQ:
common problem:
Q: What can you do
A: We can provide you with digging final drive and swing drive motors and reducer gearbox and their parts
Q: how long is the warranty period?
A: Within 6 months, we will provide you with maintenance spare parts with in the warranty period free of charge.
Q: do you accept OEM or ODM?
A: Yes, you just need to provide your logo file or ideas.
Q: can I order one of our samples for testing first?
A: Of course!
Q: how do I order?
A: You need to tell us the model and quantity you are interested in, and then we will issue a proforma invoice for you. The goods will be prepared after receiving the payment. The preparation time depends on the content of the order
Q: do you have a factory?
A: Yes, we have our own factory and have 22 years of production experience in the excavated gear industry.
|
|
Sumitomo CX460 CX470 SH460 Excavator Swing Gearbox SH460HD-5 Images |